你知道不退火的稀土耐磨管有什么后果吗
退火是热处理工艺中的一种,在生产中,退火工艺应用很广泛,常用于降低硬度,改善切削加工性;消除残余应力,稳定尺寸,减少变形与裂纹倾向。
稀土耐磨管道采用的稀土耐磨合金材质,晶粒细密、强度高,可塑性好,能通过离心成型、制模铸造工艺生产各种所需配件。稀土耐磨管可切割,与低碳钢实行对焊,安装使用方便,但在现场焊接时容易开裂,这是因为它的硬度较高,根据需要,进行适当的退火工艺可以改善。
如果,硬度高的稀土耐磨管道没有进行相应的热处理工艺,在进行焊接时,就容易开裂。对于不擅长焊接稀土耐磨管的焊工,必须学习严格按照焊接工艺来焊接安装。
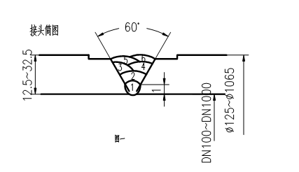
要避免在雨天相对湿度大于等于90%或低温潮湿的风口下施工。检查材料后再下料,施焊面要保持清洁,以免油污、夹渣影响焊接质量。管道之间的中心线要对正,确保管道两端对接准确。焊接部位宜采用点焊、对称焊,然后整体焊的方式,施焊时,应两人对焊,使两焊点处于对称位置。焊完各层的每道焊缝后,应用风铲或锤子进行锤击,以减少焊接应力,避免应力集中铸件开裂。
选择好耐磨管道生产厂家非常重要,优质的管道不仅耐性好,而且模型标准,便于焊接。对于不同硬度材质要求的管道定制,调整工艺流程,使管道更耐用。同时,有专业技术人员为您指导施工,降低管道开裂的可能性。















